|
|
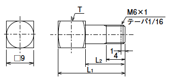
||||||||||||||||||||||||||||

| 型式 | コードNo. | L1 | L2 | T |
|---|---|---|---|---|
|
|
106383 | 20 | 11 | M6×1 |
|
|
106382 | 23 | 11 | M6×1 |
ECMG-6AL 106383
ECMG-6ALL 106382
SAG4-6B 106366
SATG-6B 106064
EGM-10T-4-2C 103902
EGM-10T-4-4C 103834
EGM-10T-4-7C 103835
KBC4-01-F 209503
KBC4-02-F 209504
KBC4-M6-F 209501
KBC4-M6P0.75-F 209502
KBC6-01-F 209513