|
|
||||||||||||||||||||||||||||
防泥地毯采購技術參數
一、 執行標準應符合以下標準:
1、 GB8624-1997《建筑材料燃燒性能分級方法》;
2、 GB/T18044-2000《防泥地毯靜電性能評定模擬人體步行實驗方
法》;
3、 GB18583-2001《室內裝飾裝修材料膠粘劑中有害物質限
量》;
4、 GB18587-2001《室內裝飾裝修材料地毯、地毯襯墊及地毯
膠粘劑有害物質釋放限量》;
二、 具體參數要求:
1、 基毯上絨高3.0mm±0.5 mm;
2、 永久抗靜電,靜電抑制測試等級U30≤2.5Kv標準Ⅱ級;
3、 阻燃測試等級GB8624-1997 B1級;
4、 耐光性GB/T14252-93 ≥ 4級;
5、 色牢度為橫向、縱向摩擦≥ 4級,簇絨抗拔力≥ 20N;
6、 完成后室內空氣純凈度認可保證CRI室內空氣純度認可保
證的環保型產品;
7、 使用年限為10年內;
8、 采用條幅式地毯,幅寬不小于3.5米(不采用方塊拼接地
毯);
9、 顏色要求為灰色
10、 材質要求:尼龍防泥地毯
鋁合金地墊,鋁合金地毯是一種新型的地毯,由鋁合金框架,配以連續擠出的熱塑性彈性刮塵條(或化纖織物條等)組合而成,是一種區別與傳統的高檔防塵裝置。邢臺鋁合金地墊,鋁合金地毯主要適用于機場,賓館,銀行,大廈,高檔寫字樓,商場,醫院,博物館,高爾夫球館等場所的門廳。
經測試證明,邢臺鋁合金地墊,鋁合金地毯室內灰塵90%是由鞋底的泥沙帶入的,從而造成室內環境污染,現在,越來越多的人意識到,保證室內清潔,門廳的除塵功能必不可少。邢臺鋁合金地墊,鋁合金地毯
邢臺鋁合金地墊,鋁合金地毯在歐美等發達國家,該種產品的使用率已達到90%以上,邢臺鋁合金地墊,鋁合金地毯具有除塵、防滑、保護室內清潔衛生等功能。同時色彩的多樣及設計訂做的靈活,使得邢臺鋁合金地墊,鋁合金地毯產品具有良好的裝飾性,對整個設計方案及提升企業門廳形象起到了畫龍點睛的作用。
1、該具有良好的除塵防滑之功能,可阻止泥沙、塵土重復帶入室內。
2、產品埋在地下,表面與地面平齊,不會絆倒行人;方便推拉門,推車通行。
3、其承重力在標準滾動下可達1000公斤/m2不變形;
4、安裝穩固,不會因重物(如手推車,輪椅)的經過而容易產生滑動,變成波浪形狀。
5、鋁條壽命很長,耐磨表面(毯面及橡膠)損壞可以單獨更換,拆裝方便,易清潔,降低了維修費用。 6、面層可選多種材質、裝飾性好,華麗美觀。
主要材料
鋁合金基座,橡膠條,各種化纖織物條
夏天是裝修旺季,很多單位都在此時進行裝修,鋁合金地地墊,防滑防潮。下面就給大家說一下鋁合金地墊施工要注意的事項。用來防潮的地墊所覆鋁膜應保證質量,優質鋁膜用手不易撕破,而劣質鋁膜用手揉搓易破,鋁合金壓條的厚度應保證在2毫米以上。過薄容易起翹變形。
首先,地板鋪裝前地面要具備平整干燥的基礎條件。
其次,地板的安裝要遵循如下技術原則:
第一,門與地面之間應留15毫米的縫隙,地熱用戶要確認系統的可靠性,建議地表溫度不要高于27度;
第二,鋪裝人員要做到調整地板朝向由房門開始向房內延伸,地板的最大跨度為6米乘以8米,超過此限必須留一個收縮縫且使用扣條;
第三,墻根、門口壓條接口等處預留的伸縮縫大于8毫米;拼接處是否連續、均勻,殘膠是否及時清理;基于防潮性能、防變形和方便清潔等多方考慮,鋪裝地板堅持使用地板膠,即使是鎖扣地板也應堅持此原則;
第四,踢腳線必須達到12毫米厚,否則難以掩蓋收縮縫,還容易發生變形;
第五,用來防潮的地墊所覆鋁膜應保證質量。優質鋁膜用手不易撕破,而劣質鋁膜用手揉搓易破;第六,鋁合金壓條的厚度應保證在2毫米以上。過薄容易起翹變形。
最后是地板養護問題,地板養護最好每月進行一次,可以延長地板使用壽命,提高光亮度,方便清潔,防止空氣中的水分滲透進基材,從而引起地板變形。
美碩防泥地墊介紹
---------------------------------------------------------------------------------------------------------------------------------------------------------------------------------------------------


![]()
![]()
![]()
![]()
![]()
![]()
![]()
![]()
![]()
![]()
![]()
![]()
![]()
![]()
![]()
![]()
![]()
![]()
![]()
![]()
![]()
![]()
![]()
![]()
![]()
![]()
![]()
![]()
![]()
![]()
![]()
![]()
![]()
![]()
![]()
![]()
![]()
![]()
![]()
![]()
![]()

產品結構
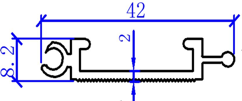
MS-600型采用6063-T5硬質鋁合金制成,執行標準(GB5237.3.2004). 鋁合金型材壁厚2mm,其承重力在標準滾動下可達1500kg不變形。地墊高度8.2mm,采用防銹剛鎖連接,緊固內凸六角螺絲件,鑲條間隙工藝,確保的藏污納垢效果,優良設計方式極大延長產品的適用壽命。專業防噪音,防腐處理層,具有抗嚴寒耐高溫,防潮濕防靜電。以柔韌鋼絲繩攢編而成,方便卷起來清潔保養。建議鋪設于凹槽內效果更佳,更安全。配以多款防污地墊面料以供選擇,更具時尚風格,體現步整體形象。
適用于酒店、賓館、醫院、商業大廈、機場、碼頭、超級市場、銀行等高人流量場所出入門口使用。

鋁合金防塵地墊清洗及保養:
(1)清洗鋁合金地墊時,建議每天使用吸塵器(建議使用滾型的吸塵器)能保持外觀清潔及除污功能。
(2)遇有頑固污漬,可使用溫和清潔劑及毛刷擦拭即可。
(3)建議每周用中性清洗劑配合地毯抽洗機清潔毯面深層污垢。
(4)EVC或聚乙烯材料清洗時,只需用水沖洗即可。
(5)地毯和橡膠如有磨損可單獨更換。
(6)鋁合金地墊是采用進口比利時條紋毯面專用除塵毯面!平時吸塵器完全可以滿足清洗要求,用了3-5年,可以整塊卷起來拿到室外清水沖洗,毯面又像新的!
(7)使用商用地墊時,建議配備2套地墊,可交替使用,并可延長使用壽命。
小尺寸的地毯一般是一塊發貨的。尺寸較大的,考慮到物流發貨問題,長度超過3米的,不好發貨。大尺寸的地毯需要分成幾塊來做,拿回去直接拼接即可。地毯發貨一般是卷成桶裝裹上珍珠棉,外面再用裝箱包裝。
